概述
YX5123压力开关(高压)/压力控制器采用活塞式与膜片式相结合的传感器,可用于含油雾的压缩空气及其他对压力传感器材料无腐蚀作用的含油雾气体和液压油,水油乳浊液及润滑性能良好的中性液体介质。
YX5123压力开关(高压)/压力控制器的设定值可调,其调节范围为0.3~40MPa。
主要技术性能
| 普通型 | 防爆型 | |
|---|---|---|
| 工作粘度 | <1×10-3m2/s | <1×10-3m2/s |
| 开关元件 | 微动开关 | 密封开关 |
| 防爆等级 | — | Exde Ⅱ CT4~T6 合格证编号: GYB19.1360X |
| 外壳防护等级 | 带槽密封圈IP54,O型密封圈IP65(符合DIN40050,与GB4208中的IP65相当) | 带槽密封圈IP54,O型密封圈IP65(符合DIN40050,与GB4208中的IP65相当) |
| 环境温度 | -20℃~40℃ | -20℃~40℃ |
| 介质温度 | 0℃~100℃ | 0℃~120℃ |
| 安装位置 | 压力接口垂直向下(允许倾斜15°) | 压力接口垂直向下(允许倾斜15°) |
| 抗振性能 | Max:40 m/s2 | Max:20 m/s2 |
| 重复性误差 | ≤2.5% | ≤2.5% |
| 触点容量 | AC 220V 6A(阻性) |
DC 250V 0.25A (阻性) 60Wmax AC 220V 6A(阻性) 1250VAmax |
规格
YX5123切换差不可调
|
设定值调节范围 MPa |
切换差不大于 MPa |
*大允许压力① MPa |
开关切换次数 次/分 |
压力传感器材料 |
接口 螺纹② |
重量 kg |
外形尺寸图号 | 订货目录编号 | |||
|---|---|---|---|---|---|---|---|---|---|---|---|
| 外壳 | 膜片 | 活塞 | 普通型 | 防爆型 | |||||||
| 0.3~4 | 0.9 | 30 | 20 | 黄铜 |
氟橡 胶 |
钢 | M20×1.5 | 0.8 | 01 | YX5123.10-191051 | YX5123.50-191051 |
| 0.5~6.3 | 1.3 | 30 | 20 | 黄铜 |
氟橡 胶 |
钢 | M20×1.5 | 0.8 | 01 | YX5123.10-200051 | YX5123.50-200051 |
| 0.5~10 | 1.6 | 30 | 20 | 黄铜 |
氟橡 胶 |
钢 | M20×1.5 | 0.8 | 01 | YX5123.10-202051 | YX5123.50-202051 |
| 0.5~16 | 1.9 | 30 | 20 | 黄铜 |
氟橡 胶 |
钢 | M20×1.5 | 0.8 | 01 | YX5123.10-203051 | YX5123.50-203051 |
| 1~25 | 2.5 | 30 | 30 | 黄铜 |
氟橡 胶 |
钢 | M20×1.5 | 0.8 | 02 | YX5123.10-215051 | YX5123.50-215051 |
| 1~40 | 2.8 | 60 | 30 | 黄铜 |
氟橡 胶 |
钢 | M20×1.5 | 0.8 | 02 | YX5123.10-216051 | YX5123.50-216051 |
YX5123切换差可调
|
设定值调节范围 MPa |
切换差不大于 MPa |
*大允许压力① MPa |
开关切换次数 次/分 |
压力传感器材料 |
接口螺纹 ② |
重量 kg |
外形尺寸图号 | 订货目录编号 | |||
|---|---|---|---|---|---|---|---|---|---|---|---|
| 外壳 | 膜片 | 活塞 | |||||||||
| 0.3~4 | 1.3 | 30 | 20 | 黄铜 | 氟橡胶 | 钢 | M20×1.5 | 0.85 | 01 | YX5123.00-191051 | YX5123.40-191051 |
| 0.5~6.3 | 1.6 | 30 | 20 | 黄铜 | 氟橡胶 | 钢 | M20×1.5 | 0.85 | 01 | YX5123.00-200051 | YX5123.40-200051 |
| 0.5~10 | 1.6 | 30 | 20 | 黄铜 | 氟橡胶 | 钢 | M20×1.5 | 0.85 | 01 | YX5123.00-202051 | YX5123.40-202051 |
| 0.5~16 | 2.2 | 30 | 20 | 黄铜 | 氟橡胶 | 钢 | M20×1.5 | 0.85 | 01 | YX5123.00-203051 | YX5123.40-203051 |
| 1~25 | 2.8 | 30 | 30 | 黄铜 | 氟橡胶 | 钢 | M20×1.5 | 0.85 | 02 | YX5123.00-215051 | YX5123.40-215051 |
| 1~40 | 4 | 60 | 30 | 黄铜 | 氟橡胶 | 钢 | M20×1.5 | 0.85 | 02 | YX5123.00-216051 | YX5123.40-216051 |
YX5123切换差不可调(小切换差)
|
设定值调节范围 MPa |
切换差不大于 MPa |
*大允许压力① MPa |
开关切换次数 次/分 |
压力传感器材料 |
接口螺纹 ② |
重量 kg |
外形尺寸图号 | 订货目录编号 | ||
|---|---|---|---|---|---|---|---|---|---|---|
| 外壳 | 膜片 | 活塞 | ||||||||
| 0.3~4 | 0.8 | 30 | 20 | 黄铜 | 氟橡胶 | 钢 | M20×1.5 | 0.85 | 01 | YX5123.70-191051 |
| 0.5~6.3 | 1.2 | 30 | 20 | 黄铜 | 氟橡胶 | 钢 | M20×1.5 | 0.85 | 01 | YX5123.70-200051 |
| 0.5~10 | 1.4 | 30 | 20 | 黄铜 | 氟橡胶 | 钢 | M20×1.5 | 0.85 | 01 | YX5123.70-202051 |
| 0.5~16 | 1.6 | 30 | 20 | 黄铜 | 氟橡胶 | 钢 | M20×1.5 | 0.85 | 01 | YX5123.70-203051 |
| 1~25 | 1.2 | 30 | 30 | 黄铜 | 氟橡胶 | 钢 | M20×1.5 | 0.85 | 02 | YX5123.70-215051 |
| 1~40 | 1.8 | 60 | 30 | 黄铜 | 氟橡胶 | 钢 | M20×1.5 | 0.85 | 02 | YX5123.70-216051 |
注:①在实际工作中,即使短暂的压力峰值也不允许超过此值。
②接口处如有特殊要求,订货中注明。
②接口处如有特殊要求,订货中注明。
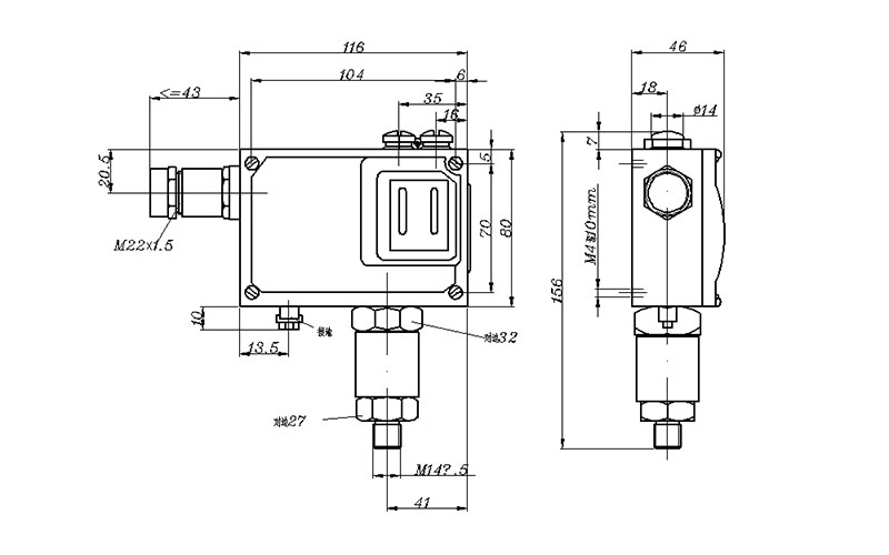
01

02

03

04



