概述
YX0004双触点压力开关/压力控制器采用膜片式传感器,可用于中性气体、液体介质。例如空气、气体、水、液压油、润滑油、轻燃油等。
YX0004双触点压力开关/压力控制器的设定值可调,调节范围0~2.5MPa。
主要技术性能
| 工作粘度 | <1×10-3 m2/s |
|---|---|
| 开关元件 | 微动开关 |
| 外壳防护等级 | IP54 |
| 环境温度 | -5℃~40℃ |
| 介质温度 | 0℃~90℃ |
| 安装位置 | 压力接口垂直向下(允许倾斜15°) |
| 抗振性能 | Max 20 m/s2 |
| 重复性误差 | ≤1.5% |
| 同步性误差 | ≤0.5%(指下切换值的同步误差①) |
| 触点容量 | AC 220V 6A(阻性) 600VA |
规格
切换差不可调
|
设定值调节范围 MPa(KPa) |
切换差不大于 MPa(KPa) |
*大允许压力② MPa(KPa) |
开关切换次数 次/分 |
压力传感器材料 |
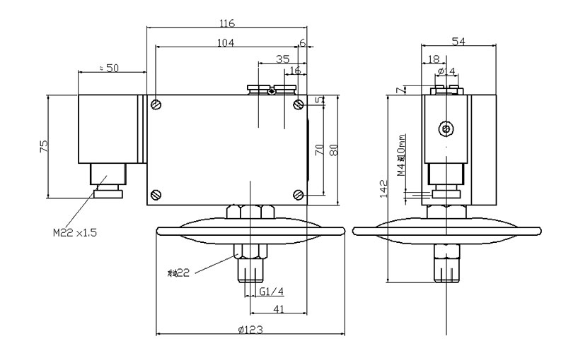
接 口 内螺纹 |
重量 kg |
外形尺寸图号 | 订货目录编号 | |
|---|---|---|---|---|---|---|---|---|---|
| 外壳 | 膜片 | ||||||||
| (0~2.5) | (0.6) | (50) | 10 | 铝 |
丁腈 橡胶 |
G1/4″ | 1.4 | 01 | YX0004.80-018265 |
| (0~6) | (0.9) | (50) | 10 | 铝 |
丁腈 橡胶 |
G1/4″ | 1.4 | 01 | YX0004.80-021265 |
| (0~16) | (1.2) | (50) | 10 | 铝 |
丁腈 橡胶 |
G1/4″ | 1.4 | 01 | YX0004.80-023265 |
| (0~25) | (1.35) | (50) | 10 | 铝 |
丁腈 橡胶 |
G1/4″ | 1.4 | 01 | YX0004.80-024265 |
| 0.005~0.06 | 0.009 | 1.5 | 40 | 黄铜 |
丁腈 橡胶 |
G1/4″ | 1.55 | 02 | YX0004.80-212066 |
| 0.005~0.1 | 0.015 | 1.5 | 40 | 黄铜 |
丁腈 橡胶 |
G1/4″ | 1.55 | 02 | YX0004.80-140066 |
| 0.005~0.16 | 0.018 | 1.5 | 40 | 黄铜 |
丁腈 橡胶 |
G1/4″ | 1.55 | 02 | YX0004.80-139066 |
| 0.005~0.25 | 0.225 | 1.5 | 40 | 黄铜 |
丁腈 橡胶 |
G1/4″ | 1.55 | 02 | YX0004.80-141066 |
| 0.03~0.4 | 0.045 | 4 | 40 | 黄铜 |
丁腈 橡胶 |
G1/4″ | 1.25 | 03 | YX0004.80-155066 |
| 0.03~0.6 | 0.075 | 4 | 40 | 黄铜 |
丁腈 橡胶 |
G1/4″ | 1.25 | 03 | YX0004.80-156066 |
| 0.05~1 | 0.09 | 4 | 40 | 黄铜 |
丁腈 橡胶 |
G1/4″ | 1.25 | 03 | YX0004.80-166066 |
| 0.1~1.6 | 0.18 | 5 | 40 | 黄铜 |
丁腈 橡胶 |
G1/4″ | 1.25 | 03 | YX0004.80-176066 |
| 0.1~2.5 | 0.225 | 5 | 40 | 黄铜 |
丁腈 橡胶 |
G1/4″ | 1.25 | 03 | YX0004.80-178066 |
注:①要求上切换差同步,应在订货中注明。
②在实际工作中,即使短暂的压力峰值也不能超过此值。
01

02

03



